欢迎来到安徽国际五金机电商贸城官方网站,今天是2026年04月21日星期二。
热线电话:0551—67109721
产品
商铺
热门搜索:
合肥五金
合肥五金大市场有哪些
触屏版
全部货品分类
网站首页
商品信息
商家商户
资讯中心
租赁服务
关于我们
联系我们
在线留言
首页
>
商品信息
>
电子电工设备
>
电器成套设备
>
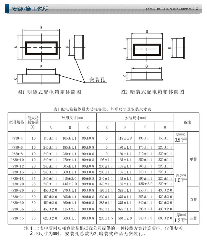
正泰(CHNT)家用照明箱PZ30
正泰(CHNT)家用照明箱PZ30
价格
¥ 面议
/件
咨询留言
进入店铺
分享商品
加入收藏
热门商品
无锡苏轩 ZRRVVP2-3...
软护套硬护套铝护套屏蔽线阻燃...
纯国标ZR-BVR电线电缆
耐火交织线低烟无卤交织线低烟...
商品描述
售后保障
关于我们
在线咨询
官方微信
联系电话
0551—67109721
回到顶部